欢迎来到- 无锡市安能机械设备制造有限公司 的官方网站!
服务热线:0510-8377 2030 加入收藏 联系我们 站点地图
首页 关于安能 资质荣誉 企业文化 公司客户 新闻资讯 产品展示 业绩图库 视频中心 人力资源 在线询盘 联系我们
产品展示
首页 / 产品展示
吸引装置
概述
吸引装置是一种用于粉状物料输送的装置,它可用在冶金、电力、粮食、水泥等行业。该产品结构简 单、重量轻、体积小、使用方便、密封可靠。工作温度<20(TC。
结构与工作原理
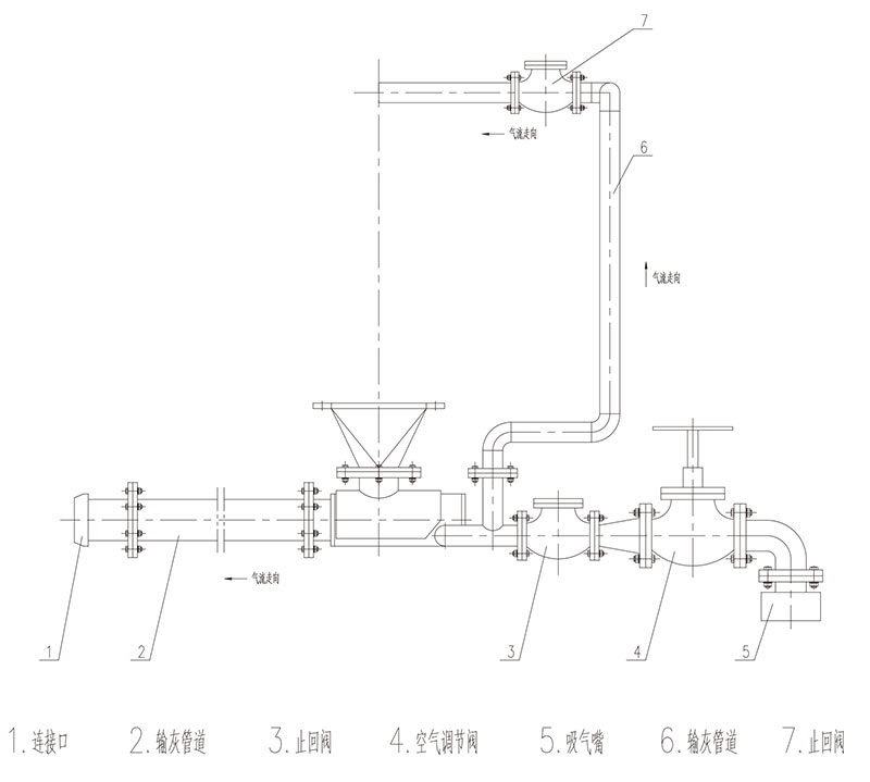
吸引装置由吸气嘴、空气调节阀门、止回阀等输灰管道组成。设备利用与件5连接的空气压缩机(或 气栗)的气流将由灰仓排除的粉尘吹至与件1连接的灰罐车内,从而达到粉尘输送的目的。(如下图所示意) 件3与件7可以有效地控制气流的方向,防止气流逆转,件4可以调节气流量的大小的关闭。
外形示意图
上一页:无尘卸料机
下一页:移动集尘车装置
关于我们新闻动态联系我们网站地图
COPYRIGHT © 2021 无锡市安能机械设备制造有限公司 版权归本公司所有,未经授权
任何其他公司或个人均不允许来复制、抄袭!