欢迎来到- 无锡市安能机械设备制造有限公司 的官方网站!
服务热线:0510-8377 2030 加入收藏 联系我们 站点地图
首页 关于安能 资质荣誉 企业文化 公司客户 新闻资讯 产品展示 业绩图库 视频中心 人力资源 在线询盘 联系我们
产品展示
首页 / 产品展示
弧门卸料阀

概述
DHF系列弧门卸料阀是一种用于料仓仓底出料口处控制物料排放的装置。广泛应用于煤炭、电力,冶金、 水泥、矿石、化工、建材、粮食、医药等行业的散体物料的卸料。 DHF系列弧门卸料阀具有传动平稳、作用力均匀、阀门开启 度高,密封性能好等独特优点,同时该 阀门结构简单、重量轻、体积小、使用方便,可根据不同物料和工矿决定是否在壳体内加耐磨衬板。 如有特殊要求,可为客户进行特殊设计制造。
结构特点及工作原理
DHF系列弧门卸料阀由阀体、弧门、密封装置、电液动执行结构等组成。物料有进料口进入阀体,由弧 门控制给料量从出口排出。
也可根据设计要求把电液动执行结构改为气缸执行结构。
主要技术参数
型号 项目 QHF500 QHF600 QHF700 QHF800
适用物料 粉状、小颗粒状、小块状物料
适用温度(°c) ≤200
卸料量(m3/h) 30-300 50-400 100-600 200-800
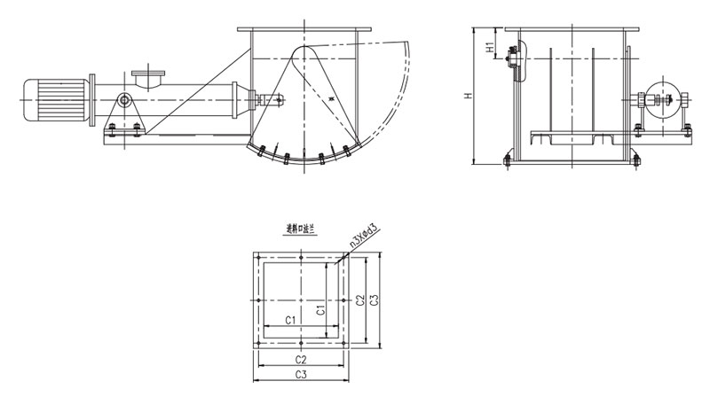
外形示意图
外形尺寸及连接尺寸
项目 型号 QHF500 QHF600 QHF700 QHF800
结构 H 150 160 210 260
尺寸 H1 640 680 790 900
C1 500 600 700 800
进出 料口 C2 550 650 750 850
C3 600 700 800 900
n3 20 20 24 24
d3 18 18 18 18
上一页:星型卸灰阀
下一页:除尘输灰系统
关于我们新闻动态联系我们网站地图
COPYRIGHT © 2021 无锡市安能机械设备制造有限公司 版权归本公司所有,未经授权
任何其他公司或个人均不允许来复制、抄袭!