欢迎来到- 无锡市安能机械设备制造有限公司 的官方网站!
服务热线:0510-8377 2030 加入收藏 联系我们 站点地图
首页 关于安能 资质荣誉 企业文化 公司客户 新闻资讯 产品展示 业绩图库 视频中心 人力资源 在线询盘 联系我们
产品展示
首页 / 产品展示
星型卸灰阀

概述
YXD系列星型卸灰阀是一种直连式的旋转给料机,是物料输送、料仓及除尘器灰仓等均匀卸料和锁气密 封用的装用设备,主要起到均匀给料的作用。我公司在引进消化国外技术上的基础上,设计生产的YXD系 列旋转卸灰阀,克服了传统产品的密封性能能差、易卡死等缺点,具有密封性能好、寿命长、故障率低等 优点,可用于冶金、电力、化工、水泥等行业。
结构特点及工作原理
YXD系列星型卸灰阀由叶轮转子、摆线针轮减速机、轴承、密封部分等组成。物料由上部进入叶轮,由 叶轮转动将物料转至下部出料口排出。
YXD系列星型卸灰阀结构紧凑、运行平稳、密封性好、可靠性高,噪音极小,故障率极低。
该产品还可根据用户需要配置特殊的专用电机,如:防爆、变频、调速电机,以满足用户的特殊要求, 在结构材质上也可根据用户需要进行特殊加工。
主要技术参数
型号 项目 YXD200 YXD250 YXD300 YXD350 YXD400 YXD500 YXD600
生产能力(m3/h) 7 15 24 30 50 80 130
转速(rpm) 25 25 25 25 25 25 25
减速机型号 BLD15-59 BLD18-59 BLD22-59 BLD22-59 BLD22-59 BLD27-59 BLD27-59
电机功率(kw) 0. 55 1. 1 1.5 2.2 2.2 3 3
电机转速(r/min) 1460 1460 1460 1460 1460 1460 1460
适用温度(°c) ≤ 200
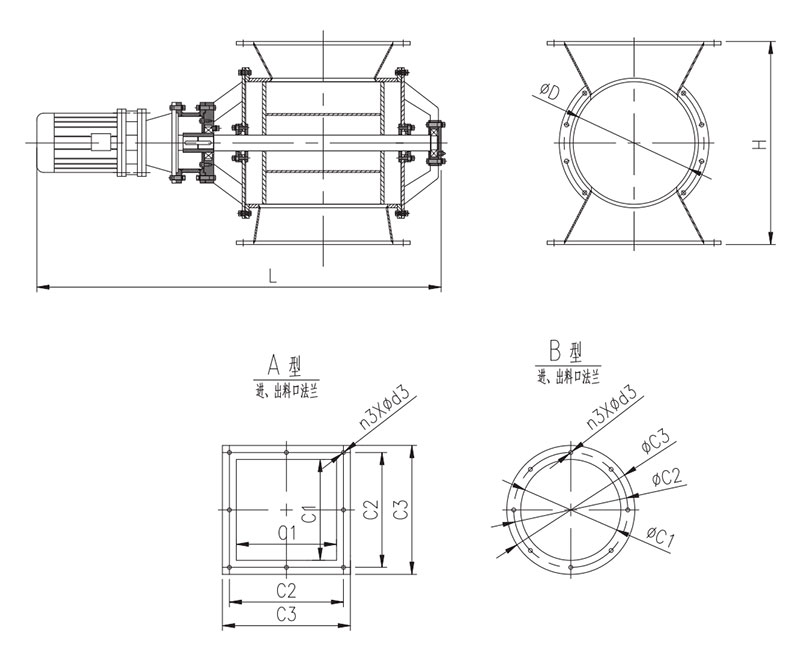
外形示意图
外形尺寸及连接尺寸
项目 型号 YXD200 YXD250 YXD300 YXD350 YXD400 YXD500 YXD600
结构 尺寸 L 750 850 1250 1400 1450 1600 1720
11 360 400 480 520 580 680 780
C1 200 250 300 350 400 500 600
进出 C2 250 300 350 400 450 550 650
C3 300 350 400 450 500 600 700
料口 n3 8 12 12 12 16 20 24
d3 14 14 14 14 14 18 18
注:A型进出料U为力.形,B型进出料口为圆形
上一页:双层翻板阀
下一页:弧门卸料阀
关于我们新闻动态联系我们网站地图
COPYRIGHT © 2021 无锡市安能机械设备制造有限公司 版权归本公司所有,未经授权
任何其他公司或个人均不允许来复制、抄袭!