欢迎来到- 无锡市安能机械设备制造有限公司 的官方网站!
服务热线:0510-8377 2030 加入收藏 联系我们 站点地图
首页 关于安能 资质荣誉 企业文化 公司客户 新闻资讯 产品展示 业绩图库 视频中心 人力资源 在线询盘 联系我们
产品展示
首页 / 产品展示
插板阀

概述
插板阀分为AZF系列手动插板阀、QZF系列气动插板阀和DZF系列电液动插板阀,该设备是一种用于物 料输送过程中截止物料流的装置,它既可以单独作为阀门适用,又可与星型卸灰阀等配套使用。可用在冶 金、电力、粮食、水泥等行业。
结构特点及工作原理
AZF系列手动插板阀由阀体、阀板、丝杆、手轮、填料装置等组成;QZF系列气动插板阀由阀体、阀板、 气缸组件、填料装置等组成;DZF系列电液动插板阀由阀体、阀板、电液动推杆组件、填料装置等组成。 该产品结构简单、重量轻、体积小、使用方便、密封可靠。工作温度≤200°C。
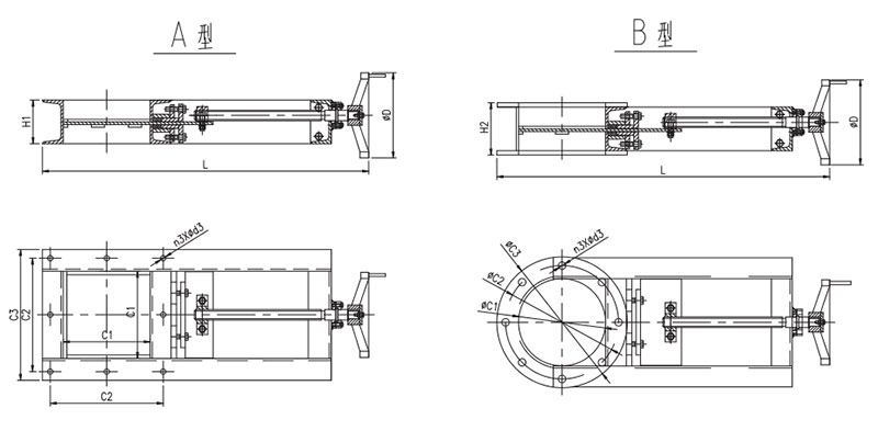
AZF系列手动插板阀外形示意图
AZF系列手动插板阀外形尺寸及连接尺寸
项目 型号 AZF200 AZF250 AZF300 AZF350 AZF400 AZF500 AZF600
结构 L 750 850 950 1050 1150 1360 1560
尺寸 H1 100 100 100 100 120 120 140
项目 型号 AZF200 AZF250 AZF300 AZF350 AZF400 AZF500 AZF600
结构 H2 120 120 120 120 140 140 160
尺寸 D 197 197 197 197 197 320 320
C1 200 250 300 350 400 500 600
进出 C2 250 300 350 400 450 550 650
C3 296 346 396 446 506 606 720
料口 n3 8 8 8 12 12 16 16
d3 14 14 14 14 14 18 18
注:A型进出料口为方形,B型进出料口为圆形
QZF系列气动插板阀外形示意图
QZF系列气动插板阀外形尺寸及连接尺寸
项目 型号 QZF200 QZF250 QZF300 QZF350 QZF400 QZF500 QZF600
L 1025 1125 1225 1475 1655 1955 2265
结构 H1 100 100 100 100 120 120 140
尺寸 H2 120 120 120 120 140 140 160
D 685 785 885 985 1095 1295 1510
C1 200 250 300 350 400 500 600
进出 C2 250 300 350 400 450 550 650
C3 296 346 396 1 16 506 606 720
料口 n3 8 8 8 12 12 16 16
d3 14 14 14 14 14 18 18
注:A型进出料口为方形,B型进出料口为圆形
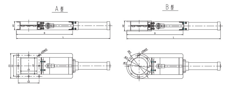
DZF系列电液动插板阀外形示意图
DZF系列电液动插板阀外形尺寸及连接尺寸
项目 型号 DZF200 DZF250 DZF300 DZF350 DZF400 DZF500 DZF600
L 1100 1185 1280 1 130 1535 1785 1950
结构 H1 100 100 100 100 120 120 140
尺寸 H2 120 120 120 120 140 140 160
D 800 860 930 1055 1135 1285 1405
C1 200 250 300 350 400 500 600
进出 料口 C2 250 300 350 400 450 550 650
C3 300 350 400 450 500 600 700
n3 8 8 8 12 12 16 16
d3 14 14 14 14 14 18 18
注:A型进出料口为方形,B型进出料口为圆形
关于我们新闻动态联系我们网站地图
COPYRIGHT © 2021 无锡市安能机械设备制造有限公司 版权归本公司所有,未经授权
任何其他公司或个人均不允许来复制、抄袭!